does anybody has some information about this v-drive unit?
It is located in the middle of the passenger compartment. it is used in this typ of volga where the transmission ist mounted behind the engine and not inside the passenger compartment.
I need some information about max. rpm, angle between the two drive shafts and so on.
Hay Richard,
I was looking in my info but most is of the one with gearbox,i have one of those..
But the angle is the same 12 degree if I'm correct.
On Russian forums i see them replaced by ZF drives... http://forum.katera.ru/index.php?/topic ... h/page-154
I hope this info will help you.
Regards,
Mark
Flying low in your hydro
find me on facebook:mark van Rijzen.
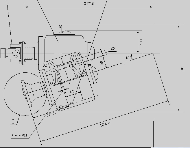
I am sorry Richard,
I was wrong..
12°is measured from the base line.
that is the line over the keel of the boot.
I had to dig deep. but i found it.
It's 18°..
[img]
[/img]
sorry for the inconvenience
Regards Mark
Flying low in your hydro
find me on facebook:mark van Rijzen.